概览
产品详情
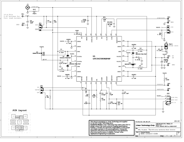
演示电路616是一款采用LTC3425的同步4相升压转换器。它能够在低于1V的输入电压下工作。DC616A设置为3.3V输出。DC616B设置为5V输出。在每个演示板上,左侧电路具有更高的效率和电流额定值;而右侧电路尺寸更小且成本较低。每相开关频率设置为1MHz,尽可能缩小了电感和电容尺寸。可通过RT引脚上的单个电阻设置该频率。需要时,LTC3425可与外部时钟同步。
相关产品
文档
- 
                                                                
                                                                    
                                                                                                                                            DC616B - Schematic2013/8/12PDF69K
- 
                                                                
                                                                    
                                                                                                                                            DC616AB - Demo Manual2013/8/12PDF761K
- 
                                                                
                                                                    
                                                                                                                                            DC616B - Design Files2013/8/15ZIP927K
 
                             
                         
                         
                                                