文档
-
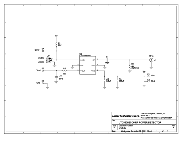
DC539A - Schematic2009/9/24PDF40K
-
DC539A - Demo Manual2014/10/8PDF84K
-
DC539A - Design File2009/9/24ZIP535K





