文档
- 
                                                                
                                                                    
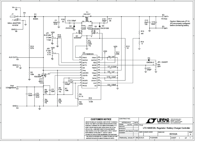
                                                                                                                                            DC532A - Schematic2009/9/24PDF75K
- 
                                                                
                                                                    
                                                                                                                                            DC532A - Demo Manual2009/9/24PDF801K
- 
                                                                
                                                                    
                                                                                                                                            DC532A - Design File2009/9/24ZIP544K
 
                             
                         
                         
                                                