概览
产品详情
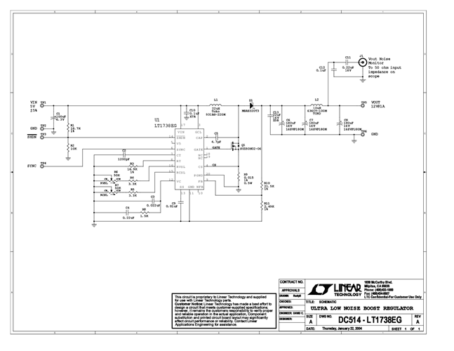
DC514A:LT1738压摆率控制型超低噪声DC/DC控制器演示板。
文档
-
DC514A - Schematic2009/9/24PDF97K
-
DC514A - Demo Manual2009/9/24PDF196K
-
DC514A - Design File2009/9/24ZIP388K
