文档
-
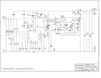
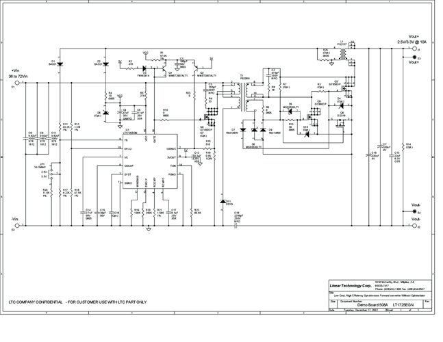
DC508A - Schematic2009/9/24PDF73K
-
DC508A - Demo Manual2009/9/24PDF277K
-
DC508A - Design File2009/9/24ZIP740K
