概览
产品详情
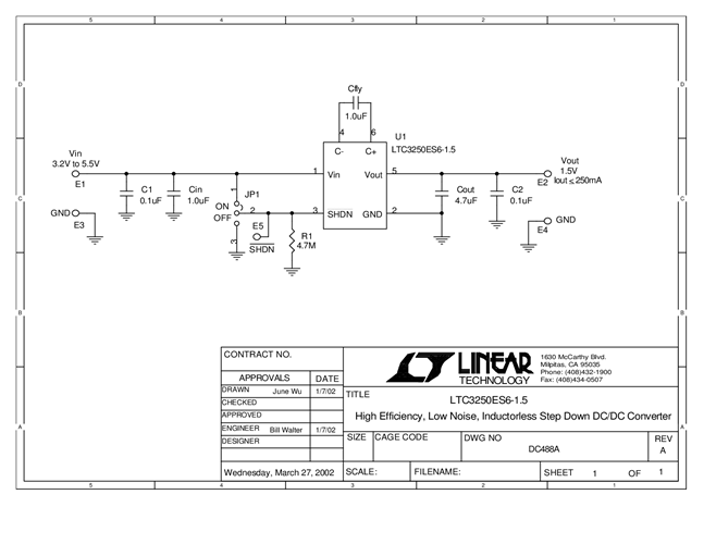
Demonstration circuit 488 is a high efficiency, inductorless step-down converter featuring the LTC3250-1.5. The circuit produces a fixed 1.5V output from a 3.1V to 5.5V input.
相关产品
文档
-
DC488A - Schematic2009/9/24PDF11K
-
DC488A - Demo Manual2009/9/24PDF434K
-
DC488A - Design File2009/9/24ZIP257K
