文档
-
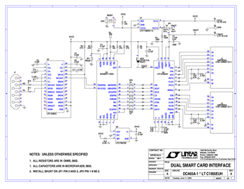
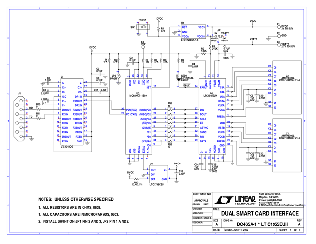
DC465A - Schematic2009/9/24PDF37K
-
DC465A - Demo Manual2009/9/24PDF331K
-
DC465A - Design File2009/9/24ZIP992K
