概览
产品详情
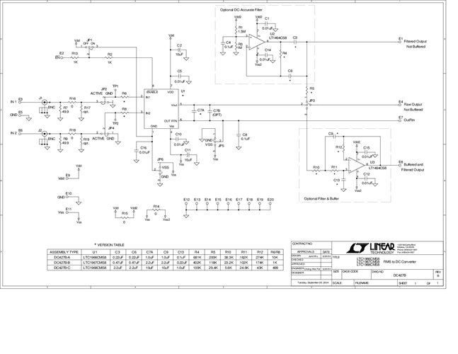
DC427B-A: Demo Board for the LTC1966 Precision Micropower, Delta Sigma RMS-to-DC Converter.
相关产品
文档
- 
                                                                
                                                                    
                                                                                                                                            DC427B - Schematic2009/9/24PDF26K
- 
                                                                
                                                                    
                                                                                                                                            DC427B - Demo Manual2009/9/24PDF153K
- 
                                                                
                                                                    
                                                                                                                                            DC427B - Design File2009/9/24ZIP669K
 
                             
                         
                         
                                                 
                                                 
                                                 
                                                 
                                                



