概览
产品详情
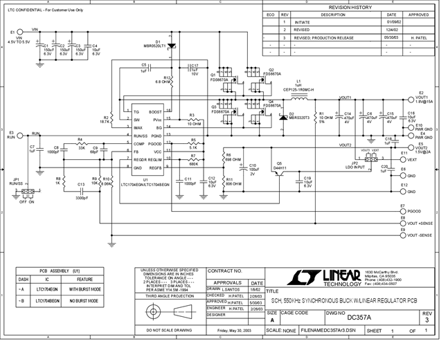
DC357A-A: Demo Board for the LTC1704 550kHz Synchronous Switching Regulator Controller Plus Linear Regulator Controller.
相关产品
文档
-
DC357A - Schematic2009/9/24PDF95K
-
DC357A - Demo Manual2009/9/24PDF329K
-
DC357A - Design File2009/9/24ZIP1M
