文档
-
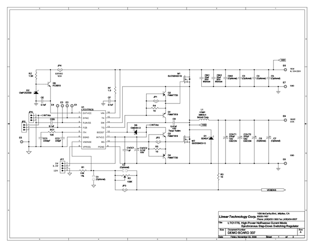
DC337A - Schematic2009/9/24PDF142K
-
DC337A - Demo Manual2009/9/24PDF34K
-
DC337A - Design File2009/9/24ZIP990K
