文档
-
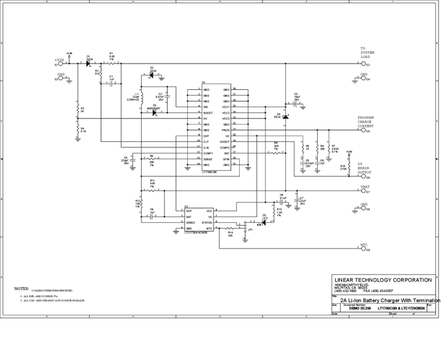
DC299A - Schematic2009/9/24PDF85K
-
DC299A - Demo Manual2009/9/24PDF71K
-
DC299A - Design File2009/9/24ZIP470K
