概览
产品详情
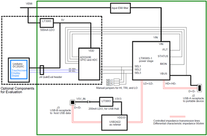
演示电路 2688A 是一款 USB 充电器,设计用于从高达 42 V 的输入电压为 5 V USB VBUS 轨提供高达 3 A 的电源。DC2688A 电路具有 LT8698S/LT8698S-1,是一款紧凑式、高效高速同步单片降压型开关稳压器,采用第二代 Silent Switcher® 技术,可较大限度减少 EMI,并降低 PCB 布局敏感性。LT8698S/LT8698S-1 支持多种便携式套件充电器配置文件,包括 USB BC 1.2 CDP、DCP 和 SDP 以及常见的专有充电器配置文件,所有这些都可以使用 DC2688A 演示板轻松进行评估。LT8698S/LT8698S-1 还具有兼容 USB 2.0 的高速数据线开关、强大的数据线保护和可编程线缆压降补偿,即使 USB 插座通过长电缆与 LT8698S/LT8698S-1分开时,可编程线缆压降补偿仍可保持准确的 5V VBUS 调节。这些功能使 LT8698S/LT8698S-1 非常适合于汽车 USB 主机应用。
有两个组装版本。DC2688A-A 具有 LT8698S,而 DC2688A-B 具有 LT8698S-1。区别在于 LT8698S 在 IC 封装内部包括 VIN 热环路电容器,以改善EMI/EMC性能,而 LT8698S-1 则不包括这些电容器。
相关产品
文档
-
DC2688A - Demo Manual (Rev. 0)2021/3/4PDF2 M



