概览
产品详情
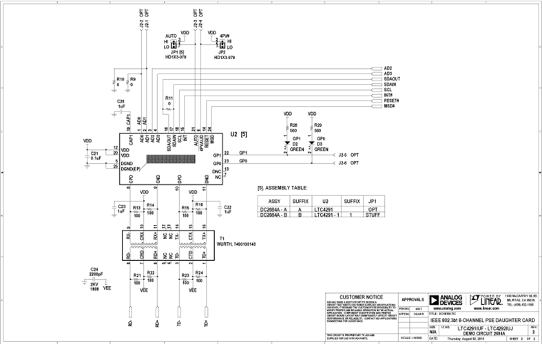
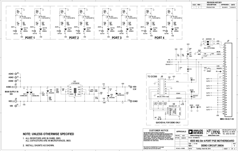
演示电路2685B-KIT是一款经过以太网联盟第二代PoE认证的4端口IEEE 802.3bt供电设备(PSE),由DC2684A-B(子卡)和DC2683A(母板)组成。DC2685BKIT用于评估LTC4291-1/LTC4292 PSE芯片组。最多可连接四个IEEE 802.3af、IEEE 802.3at或IEEE 802.3bt受电设备(PD),并使用单个电源通过此系统供电。DC590连接到与QuikEval™接口的I2C DC2685B-KIT。
该演示手册提供快速启动程序、DC2684A-B子卡概述、DC2683A母板概述、原理图和布局引脚排列。
文档
-
DC2685B - Schematic2018/10/5PDF108 K
-
DC2685B-KIT - Demo Manual2018/10/5PDF1 M
-
DC2685B - Design FIles2018/10/5ZIP4 M







