概览
产品详情
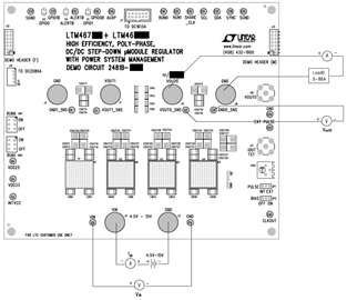
演示电路 2481B-A 是一款高效率、高密度、μModule® 稳压器,具有 4.5V 至 15V 输入电压范围。输出电压可在 0.6V 至 1.8V 范围内调整,并可提供最大 86A 负载电流。该演示板具有 1 个 LTM4677 和 1 个 LTM4650 μModule 稳压器。LTM4677 是一款具有 PMBus 电源系统管理功能的双通道 18A 或单通道 36A 降压型稳压器,而 LTM4650 是一款双通道 25A 或单通道 50A 降压稳压器。有关更多详细信息,请参见 LTM4677 和 LTM4650 数据手册。
DC2481BDC2481B-A 上电至默认设置并基于配置电阻产生电源,无需任何串行总线通信。这样可轻松评估 DC/DC 转换器。为了充分发掘该器件丰富的电源系统管理功能,请将 GUI 软件 LTpowerPlay® 下载到 PC 上并使用 ADI 公司的 I2C/SMBus/PMBus 加密狗 DC1613A 连接到该板。LTpowerPlay 允许用户重新配置联机器件,将配置存储在 EEPROM 中,并查看电压、电流、温度和故障状态的遥测功能。
有关 LTpowerPlay 的更多详细信息和说明,请参阅 LTpowerPlay 软件 GUI。
文档
-
DC2481B-A - Schematic2018/10/5PDF42 K
-
DC2481B-A Demo Manual (Rev. 0)2018/10/2PDF1M
-
DC2481B-A - Design Files2018/10/5ZIP6 M

