概览
产品详情
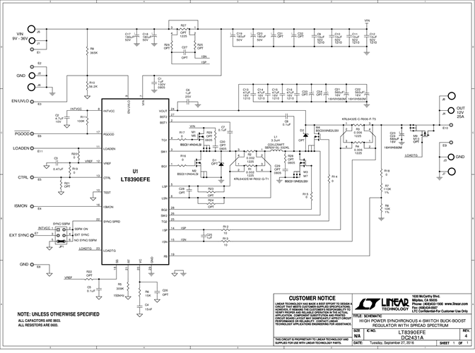
Demonstration circuit 2431A is a 4-switch synchronous buck-boost regulator that demonstrates the high power capability of the LT8390. The output is 12V and the maximum output current is 25A for up to 300W power delivery. The switching frequency is 150kHz and efficiency can go higher than 98%.
相关产品
文档
-
DC2431A - Schematic2016/10/13PDF38K
-
DC2431A - Demo Manual2016/10/13PDF656K
-
DC2431A - Design Files2016/10/13ZIP1M




