概览
产品详情
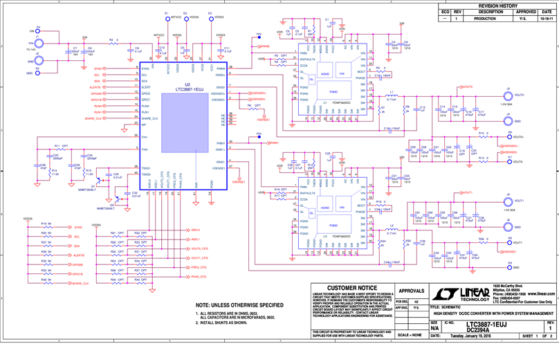
演示电路 2394A 是一款高电流、高效率、双路输出 PolyPhase® 同步降压转换器,内置双相电流模式控制器 LTC3887EUJ-1。LTC3887-1 具有 PMBus 接口和电源系统管理功能。
相关产品
文档
-
DC2394A - Schematic2016/1/22PDF78K
-
DC2394A - Demo Manual2016/1/22PDF693K
-
DC2394A - Design Files2016/4/21ZIP1M
