概览
产品详情
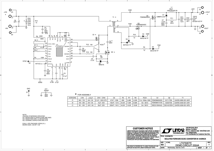
演示电路2324A-A、2324A-B和2324A-C均为具有同步整流功能的有源箝位正激式转换器,内置LT3753。
这些电路旨在演示使用此器件可实现的高性能水平、高效率和小尺寸解决方案。其工作频率为240kHz。DC2324A-A可通过36V至72V的输入电压产生24V/5A输出。DC2324A-B可通过18V至36V的输入电压产生24V/5A输出。DC2324A-C可通过9V至18V的输入电压产生24V/4A输出,适合电信、工业和其他隔离式电源应用。均为1/8砖大小。同步整流有助于实现超过94%的效率(DC2324A-A和DC2324A-B超过95%)。
相关产品
文档
- 
                                                                
                                                                    
                                                                                                                                            DC2324A - Schematic2016/5/25PDF36K
- 
                                                                
                                                                    
                                                                                                                                            DC2324A - Demo Manual2016/9/14PDF612K
- 
                                                                
                                                                    
                                                                                                                                            DC2324A - Design Files2016/5/25ZIP963K
 
                             
                         
                         
                                                 
                                                 
                                                 
                                                


