概览
产品详情
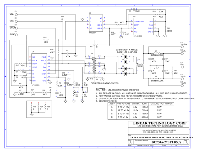
DC230A-A: Demo Board for the LT1533 Ultralow Noise 1A Switching Regulator.
文档
-
DC230A - Schematic2009/9/24PDF32K
-
DC230A - Demo Manual2009/9/24PDF38K
-
DC230A - Design File2009/9/24ZIP593K
