概览
产品详情
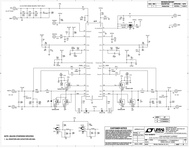
Demonstration circuit 2299A is a high input voltage, high efficiency synchronous dual output buck converter featuring the LTC3890EGN. The DC2299A has a wide input voltage range of 6V to 60V. The output voltages are set to 5V and 12V, however, the output voltage can go as high as 24V, with certain modifications. This demo board is capable of delivering up to 8A from the 5V output and up to 5A from the 12V output.
相关产品
文档
-
DC2299A - Schematic2015/3/2PDF53K
-
DC2299A - Demo Manual2015/3/2PDF372K
-
DC2299A - Design Files2015/3/2ZIP1M
