概览
产品详情
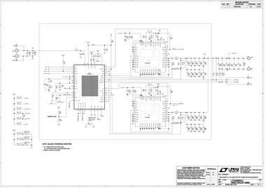
Demonstration circuit 2088A is a high current, high density, two-phase single output synchronous buck converter featuring the LTC3880EUJ, a dual-phase current mode controller. The LTC3880 has the PMBus interface and power system management functions.
相关产品
文档
-
DC2088A - Schematic2014/1/11PDF118K
-
DC2088A - Demo Manual2014/1/11PDF1M
-
DC2088A - Design Files2014/1/11ZIP2M
