概览
产品详情
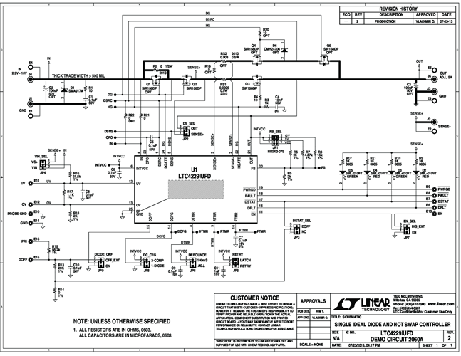
DC2060A: Demo Board for LTC4229 Ideal Diode and Hot Swap Controller.
相关产品
文档
- 
                                                                
                                                                    
                                                                                                                                            Hot Swap Controllers2023/8/2PDF0 M
 
- 
                                                                
                                                                    
                                                                                                                                            DC2060A - Schematic2013/11/25PDF48K
 
- 
                                                                
                                                                    
                                                                                                                                            DC2060A - Demo Manual2013/11/25PDF271K
 
- 
                                                                
                                                                    
                                                                                                                                            DC2060A - Design Files2013/11/25ZIP981K
 
                                                