概览
产品详情
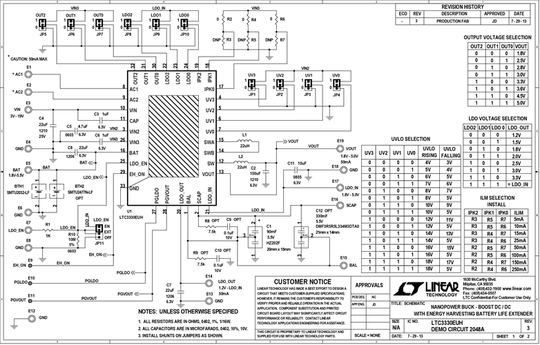
演示电路2048A是一款集成能量收集电池寿命延长器的纳安功耗升降压DC/DC,内置LTC3330。LTC3330集成了高压能量收集电源以及由原电池供电的DC/DC转换器,以便为替代能源应用提供单一输出电源。能量收集电源,由集成低损耗全波桥和高压降压转换器组成,从压电传感器、太阳能或磁源收集能量。原电池单元输入为其输入端的工作电压低至1.8V的升降压转换器供电。任一DC/DC转换器均可向单个输出提供电能。
相关产品
文档
-
DC2048A - Schematic2014/1/15PDF86K
-
DC2048A - Demo Manual2015/3/31PDF1M
-
DC2048A - Design Files2014/1/15ZIP2M




