概览
产品详情
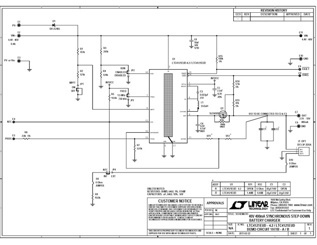
Demonstration circuit 1977A is the demonstration board for LTC4121EUD-4.2/LTC4121EUD, a 400mA Synchronous Buck Battery Charger. The DC1977A supports the Maximum Power Point Tracking (MPPT) feature on the LTC4121EUD, for use with Photovoltaic (PV) cells or highly resistive sources.
相关产品
文档
- 
                                                                
                                                                    
                                                                                                                                            DC1977A - Schematic2017/6/30PDF33K
- 
                                                                
                                                                    
                                                                                                                                            DC1977A - Demo Manual2017/8/9PDF1M
- 
                                                                
                                                                    
                                                                                                                                            DC1977A - Design Files2017/6/27ZIP924K
 
                             
                         
                         
                                                 
                                                 
                                                 
                                                 
                                                 
                                                




