概览
产品详情
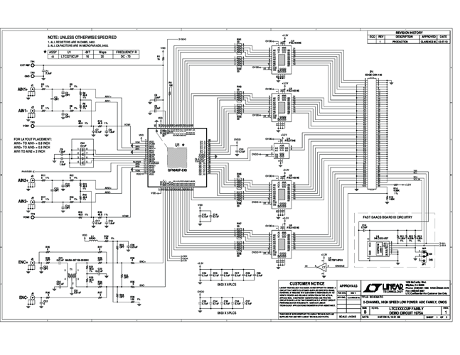
DC1975A: Demo Board for the LTC2270 16-Bit, 20Msps Low Noise Dual ADC.
相关产品
文档
-
DC1975A - Schematic2013/5/17PDF80K
-
DC1975A - Demo Manual2014/11/5PDF2M
-
DC1975A - Design Files2013/5/17ZIP1M
