概览
产品详情
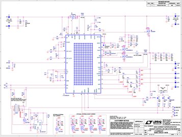
演示电路1937B是一款具有超级电容健康和系统监控功能的超级电容充电器和备用控制器;内置LTC3350。LTC3350具有10.8V至20VIN、5.3A降压超级电容充电器、25W输出备用升压控制器和输入理想二极管,可在备用模式下断开输入电源。输出理想二极管允许超级电容在VCAP高于设置的备用电压时提供输出。当电容堆栈电压降至设置的输出电压以下时,LTC3350将用作升压稳压器以提供输出直至超级电容中的能源耗尽。
文档
-
DC1937B - Schematic2015/7/13PDF119K
-
DC1937B - Demo Manual2015/12/15PDF0M
-
DC1937B - Design Files2015/7/13ZIP4M




