概览
产品详情
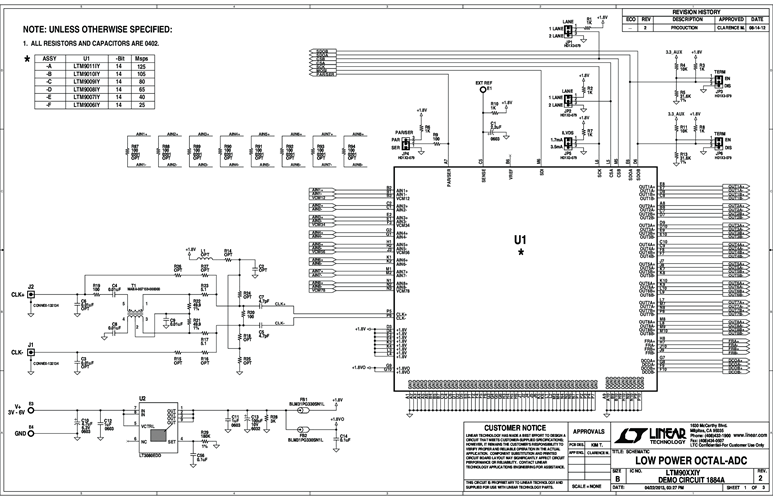
DC1884A-E: Demo Board for the LTM9007-14 14-Bit, 40Msps Low Power Octal ADCs.
相关产品
文档
-
DC1884A - Schematic2013/4/23PDF106K
-
DC1884A - Demo Manual2017/1/18PDF531K
-
DC1884A - Design Files2013/4/23ZIP3M
