概览
产品详情
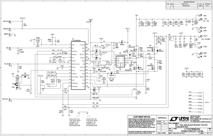
演示电路1878A内置LTC3789EGN,一款高效率开关升/降压控制器。通过在输入端使用LTC4444-5 MOSFET驱动器,可将输入范围扩展至75V。最低输入电压为8V。输出电压为12V。在整个输入电压范围内,该板能够提供高达5A的输出电流。LTC3789EGN是一款高性能开关稳压器控制器,设计用于采用高于、低于或等于输出电压的输入电压调节输出。
同步工作提供高达97%的极高效率。恒频电流模式架构支持200kHz至600kHz的可锁相频率。精确的输出限流提供电池充电支持。
相关产品
文档
-
DC1878A - Schematic2012/3/27PDF93K
-
DC1878A - Demo Manual2012/3/27PDF0M
-
DC1878A - Design Files2012/3/27ZIP4M
