概览
产品详情
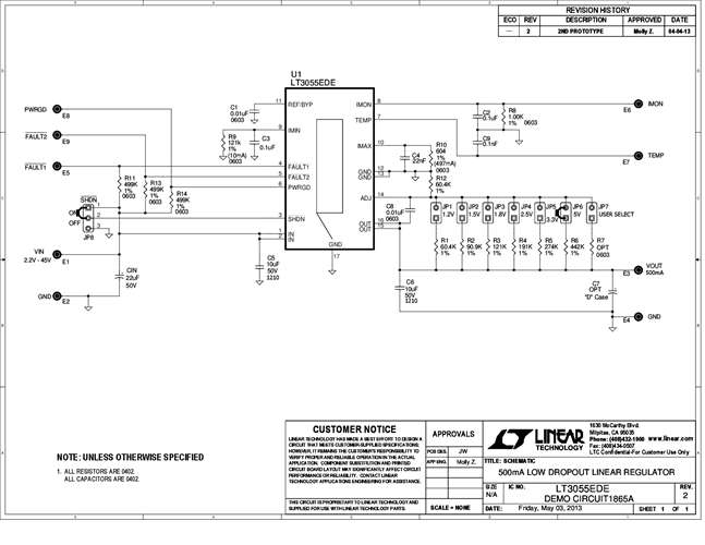
演示电路 1865A 是一款可调 500mA 线性稳压器,内置 LT3055。该演示板支持最高 ±45V 的输入电压。输入电压范围为 2.2V 至 45V,且跳线可选输出电压可以设置为 1.2V、1.5V、1.8V、2.5V、3.3V、5V 或用户定义值。
LT3055 是一款微功耗(65µA 无负载静态电流)、低噪声和低压差(350mV)线性稳压器。10nF 旁路电容将输出噪声降至 25μVRMS(10Hz 至 100kHz 带宽)并软启动基准电压源。LT3055 的 ±45V 输入电压额定值以及精密限流和诊断功能,使 IC 成为鲁棒、高可靠性应用的理想选择。LT3055 限流可通过单个电阻进行编程,并在宽输入电压和温度范围内精确至 ±10%。另一个电阻对 LT3055 可选的最小输出电流监控器进行编程,可用于检测开路状态。
相关产品
文档
-
DC1865A - Schematic2013/8/14PDF50K
-
DC1865A - Demo Manual2013/8/14PDF258K
-
DC1865A - Design Files2013/8/28ZIP826K

