文档
-
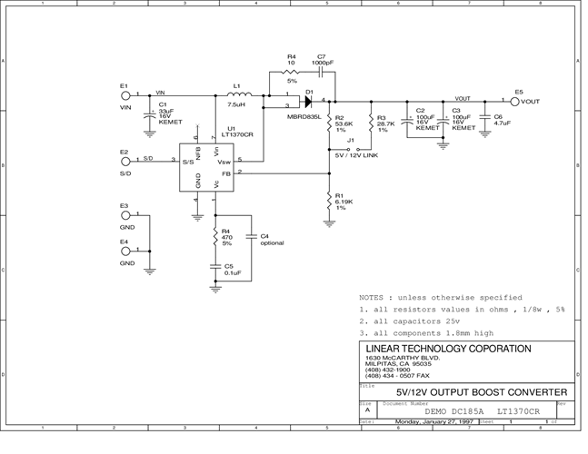
DC185A - Schematic2009/9/24PDF18K
-
DC185A - Demo Manual2009/9/24PDF290K
-
DC185A - Design File2009/9/24ZIP381K
