文档
-
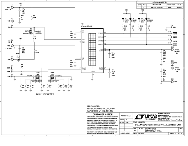
DC1819A - Schematic2011/12/14PDF73K
-
DC1819A - Demo Manual2011/12/2PDF143K
-
DC1819A - Design Files2011/12/2ZIP960K



