文档
-
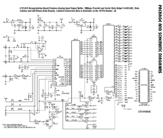
DC1748A - Schematic2012/5/10PDF264K
-
DC178A - Demo Manual2012/5/10PDF550K
-
DC178A - Design File2009/9/24ZIP527K
