概览
产品详情
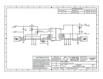
演示电路1789A是一款集成隔离电源的隔离式USB收发器,内置LTM2884。该演示电路具有EMI优化电路配置和印刷电路板布局。所有器件均集成在μModule®隔离器中。该演示电路采用VCC和/或VBUS电源供电。该器件产生隔离输出电压VCC2并通过LTC的隔离器μModule技术跨越隔离栅传送所有必要的信号。
文档
-
DC1789A - Schematic2013/10/18PDF17K
-
DC1789A - Demo Manual2014/4/7PDF527K
-
DC1789A - Design Files2013/10/18ZIP292K



