概览
产品详情
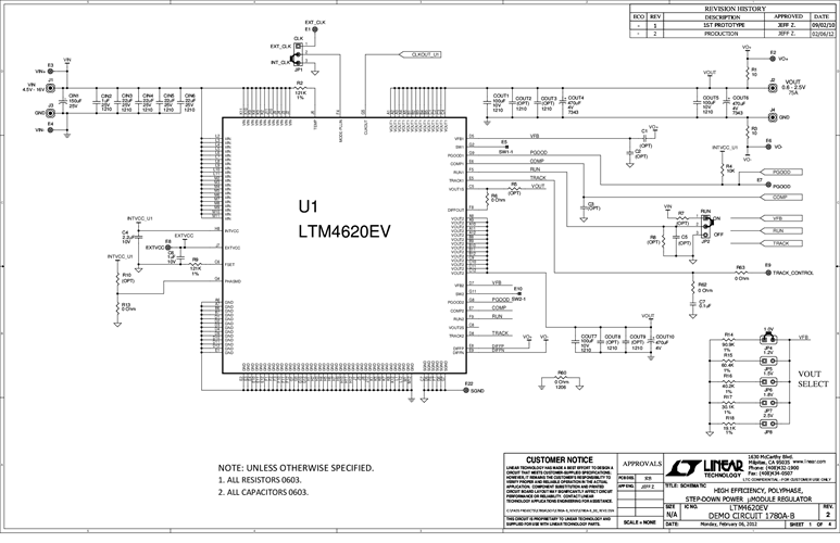
Demonstration circuit 1780A-B features PolyPhase® design using the LTM4620EV, the high efficiency, high density, dual 13A, switch mode step-down power module regulator. The input voltage is from 4.5V to 16V. The output voltage is jumper selectable from 1.0V to 2.5V. DC1780A-B can deliver nominal 75A output current with 3× LTM4620s in parallel. Output current derating is necessary for certain VIN, VOUT, and thermal conditions.
相关产品
文档
-
DC1780A-B - Schematic2012/8/3PDF216K
-
DC1780A-B Demo Manual2012/8/3PDF690K
-
DC1780A-B - Design Files2012/8/3ZIP4M
