概览
产品详情
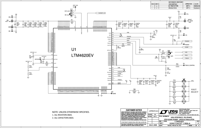
Demonstration circuit 1780A-A features PolyPhase® design using the LTM4620EV, the high efficiency, high density, dual 13A, switch mode step-down power module regulator. The input voltage is from 4.5V to 16V. The output voltage is jumper selectable from 1.0V to 2.5V. DC1780A-A can deliver nominal 50A output current with 2× LTM4620s in parallel. As explained in the data sheet, output current derating is necessary for certain VIN, VOUT, and thermal conditions.
相关产品
文档
-
DC1780A-A - Schematic2012/8/3PDF216K
-
DC1780A-A Demo Manual2012/8/3PDF662K
-
DC1780A-A Design FIles2012/8/3ZIP4M
