概览
产品详情
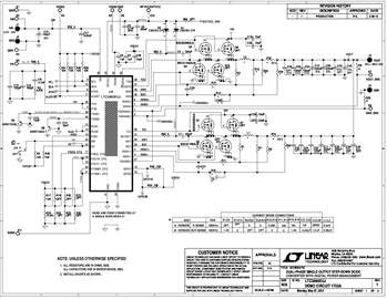
Demonstration circuit 1753A is a dual phase single-output, synchronous buck converter featuring the LTC3880EUJ, a dual phase current mode controller with digital power management. The DC1753A-A senses inductor current across a sense resistor. Default switching Freq = 350kHz. The demo board can be populated with the LTC3880EUJ-1, which allows the user to provide bias power to the IC from an external power supply. The output voltage of the board can be programmed from 0.5V to 3.3V, with output current up to 40A. The factory default setting for the output is 1.8V.
相关产品
文档
-
DC1753A - Schematic2012/10/31PDF143K
-
DC1753A - Demo Manual2012/10/31PDF941K
-
DC1753A - Design Files2012/10/31ZIP1M
