概览
产品详情
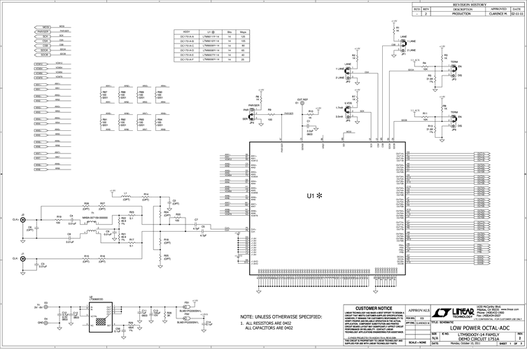
DC1751A-B: Demo Board for the LTM9010-14 - 14-Bit, 105Msps Low Power Octal ADCs
相关产品
文档
-
DC1751A - Schematic2014/9/24PDF165K
-
DC1751A - Demo Manual2017/1/23PDF1M
-
DC1751A - Design File2014/9/24ZIP6M
