概览
产品详情
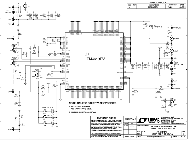
DC1743A: Demo Board for LTM4613 EN55022B Compliant 36VIN, 15VOUT, 8A, DC/DC µModule Regulator.
文档
-
DC1743A - Schematic2012/3/28PDF99K
-
DC1743A - Demo Manual2011/5/13PDF376K
-
DC1743A - Design Files2011/5/13ZIP2M




