文档
-
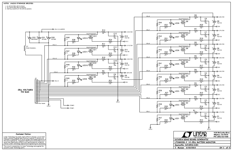
DC1652A - Schematic2011/12/15PDF117K
-
DC1652A - Demo Manual2012/10/31PDF0M
-
DC1652A - Design Files2011/7/27ZIP1M




