概览
产品详情
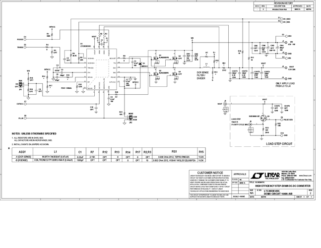
Demonstration circuit 1640A is a 1.5V/20A synchronous buck converter operating with a switching frequency of 300kHz over an input voltage range of 4.5V to 14V. The demo board comes in two versions. The A version uses inductor DCR current sensing with an iron powder inductor for high efficiency. The B version uses a 2mΩ /1% sense resistor for accurate current sensing with a low DCR ferrite inductor. The fixed on-time valley current mode topology of the LTC3833 allows for a fast load step response.
相关产品
文档
-
DC1640A - Schematic2012/2/16PDF86K
-
DC1640A - Demo Manual2011/6/8PDF767K
-
DC1640A - Design Files2011/8/17ZIP1M
