概览
产品详情
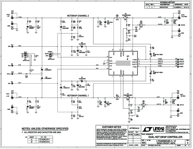
DC1627A-A: Demo Board for the LTC4226 Wide Operating Range Dual Hot Swap Controller.
相关产品
文档
-
Hot Swap Controllers2023/8/2PDF0 M
-
DC1627A - Schematic2013/8/15PDF65K
-
DC1627A - Demo Manual2013/8/14PDF440K
-
DC1627A - Design Files2013/8/15ZIP1M
