概览
产品详情
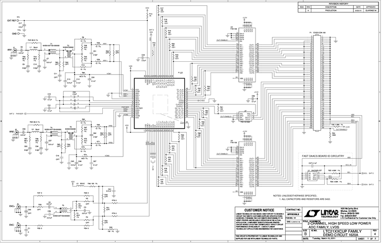
DC1620A-O: Demo Board for LTC2143-12 12-Bit, 80Msps Low Power Dual ADCs.
相关产品
文档
-
DC1620A - Schematic2012/1/18PDF128K
-
DC1620A - Demo Manual2012/8/28PDF459K
-
DC1620A - Design Files2011/5/16ZIP5M
