概览
产品详情
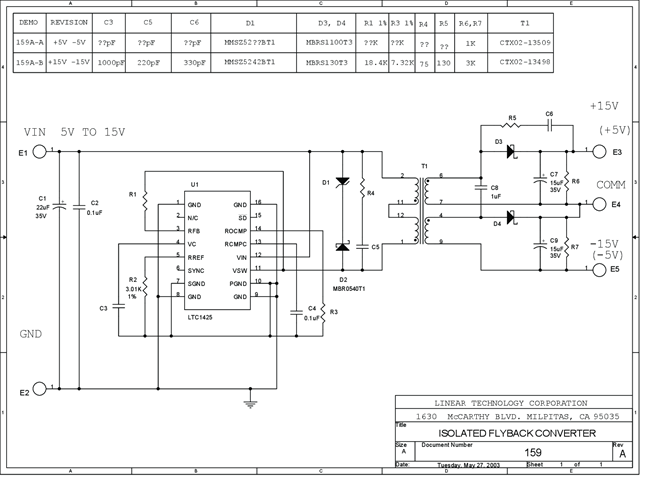
DC159A-B:LT1425隔离反激式开关稳压器演示板。
相关产品
文档
-
DC159A - Schematic2009/9/24PDF78K
-
DC159A - Design File2009/9/24ZIP77K
