概览
产品详情
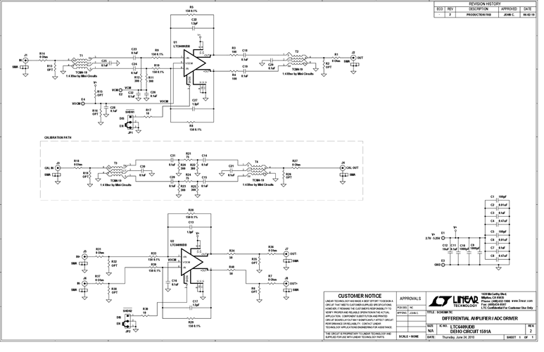
DC1591A: Demo Board for the LTC6409 10GHz GBW, 1.1nV/√Hz Differential Amplifier/ADC Driver.
相关产品
文档
-
DC1591A - Schematic2012/3/28PDF77K
-
DC1591A - Demo Manual2015/11/30PDF314K
-
DC1591A - Design Files2011/8/30ZIP1M




