概览
产品详情
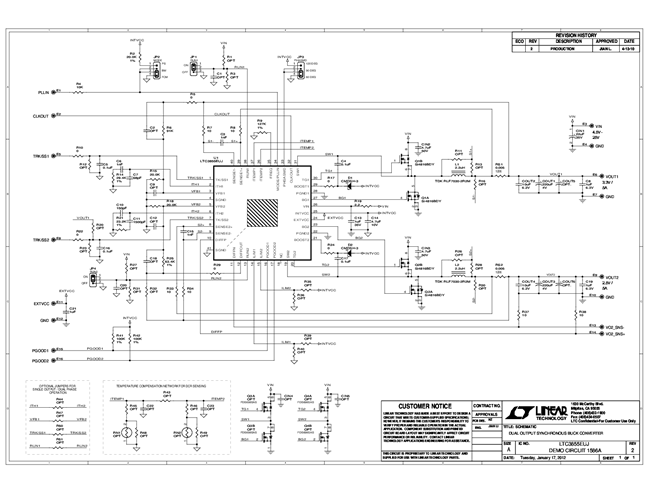
Demonstration circuit 1586A is a high efficiency, dual-output (3.3V and 2.5V), synchronous buck converter with 4.5V to 25V input range. It can supply 5A maximum load current at 3.3V and 2.5V outputs. The demo board uses the LTC3855EUJ controller. The LTC3855 is a feature-rich dual-output dual-phase synchronous buck controller with on-chip drivers, remote output voltage sensing (VOUT2) and inductor DCR temperature compensation.
相关产品
文档
-
DC1586A - Schematic2012/1/18PDF76K
-
DC1586A - Demo Manual2012/1/18PDF162K
-
DC1586A - Design Files2010/8/25ZIP1M
