概览
产品详情
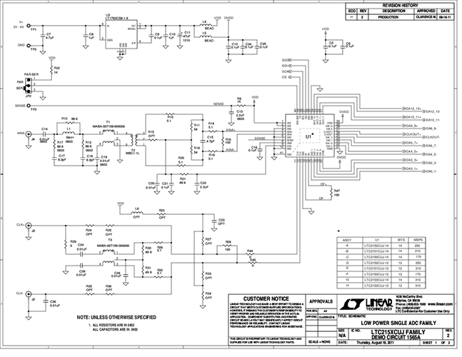
DC1565A-D: Demo Board for the LTC2152-12 Single 12-Bit 250Msps ADCs.
相关产品
文档
-
DC1565A - Schematic2011/12/16PDF107K
-
DC1565A - Demo Manual2012/1/18PDF1M
-
DC1565A - Design Files2011/12/16ZIP1M
