概览
产品详情
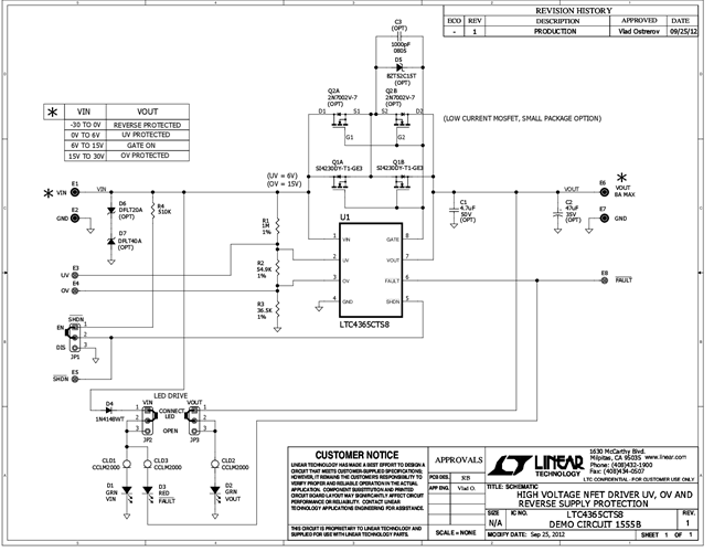
DC1555B: Demo Board for the LTC4365 Overvoltage, Undervoltage and Reverse Supply Protection Controller.
文档
-
DC1555B - Schematic2013/4/22PDF57K
-
DC1555B - Demo Manual2013/8/15PDF325K
-
DC1555B - Design Files2013/4/22ZIP2M




