概览
产品详情
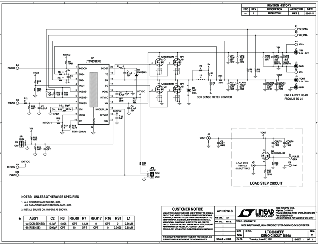
Demonstration circuit 1516A is a 1.5V/15A synchronous buck converter operating with a switching frequency of 300kHz over an input voltage range of 4.5V to 24V. The demo board comes in two versions. The -A version uses inductor DCR current sensing with an iron powder inductor for highest efficiency. The -B version uses a 2.5mΩ/1% sense resistor for accurate current sensing with a low DCR ferrite inductor. The fixed on-time valley current mode control of the LTC3833 allows for a fast load step response.
相关产品
文档
-
DC1516A - Schematic2012/5/4PDF44K
-
DC1516A - Demo Manual2011/8/9PDF200K
-
DC1516A - Design Files2011/8/9ZIP1M
