概览
产品详情
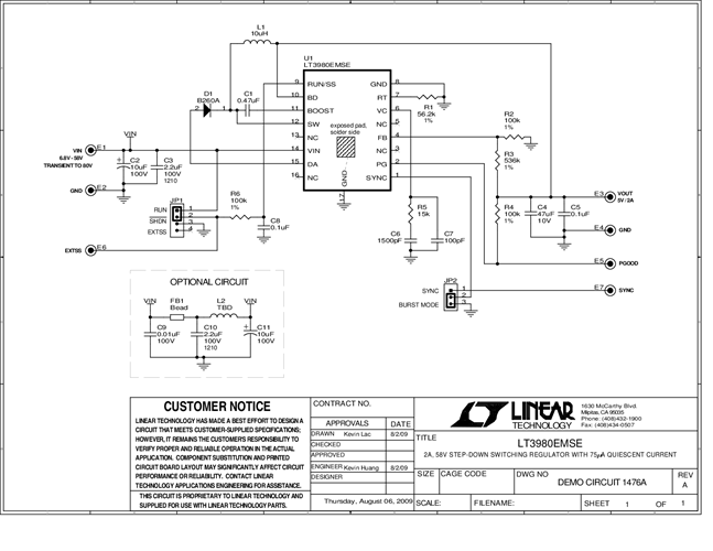
Demonstration circuit 1476A is a 2A, 58V step-down switching regulator with 75µA quiescent current featuring the LT3980EMSE. The demo board is designed for a 5V/2A output from a 6.8V to 58V input with transients up to 80V.
相关产品
文档
-
DC1476A - Schematic2009/10/21PDF33K
-
DC1476A - Demo Manual2009/10/21PDF655K
-
DC1476A - Design Files2009/10/21ZIP720K
