概览
产品详情
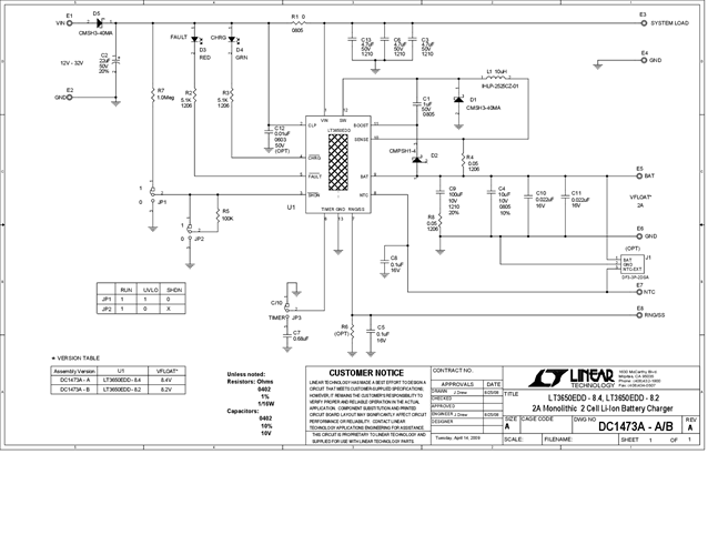
DC1473A-B:高压2A单芯片2节锂离子电池充电器LT3650-8.X演示板。
相关产品
文档
-
DC1473A - Schematic2009/9/24PDF82K
-
DC1473A - Demo Manual2009/9/24PDF397K
-
DC1473A - Design File2009/9/24ZIP625K




