概览
产品详情
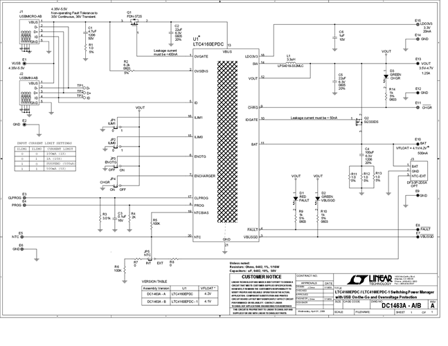
DC1463A-A: Demo Board for the LTC4160 Switching Power Manager with USB On-The-Go And Overvoltage Protection.
相关产品
文档
-
DC1463A - Schematic2009/9/24PDF101K
-
DC1463A - Demo Manual2009/9/24PDF814K
-
DC1463A - Design File2009/9/24ZIP781K
